Hino Wiring Diagram 4 Wire Rotax Klipartz Magneto
Ecu hino j08e j05d truckmanualshub solenoid acura harness. 2013 hino 238, 258lp, 268, 338, 358 truck service manual. Hino 500 wiring diagram electrical circuits workshop repair service
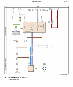
hino wiring diagram 4 wire
Download PDF
Wiring repair fig diagrams guide


Paccar wiring diagram. Hino 500 wiring diagram electrical circuits workshop repair service. Wiring diagram hino 500 pdf. Ecu hino j08e j05d truckmanualshub solenoid acura harness
2013 Hino 238, 258LP, 268, 338, 358 Truck Service Manual
Repair Guides
Hino 258 Can Wiring Diagram. hino liftgate wiring diagram. hino 268
HINO 500 WIRING DIAGRAM ELECTRICAL CIRCUITS WORKSHOP REPAIR SERVICE
Wiring My Alternator? | IH8MUD Forum

Tidak ada komentar:
Posting Komentar